
Yksityiskohtainen tuotekuvaus
| Etu: | Suuri nopeus | Etiketöinnin nopeus: | 60-200 kpl / min |
|---|---|---|---|
| Tehtävä: | Liima-tarran merkinnät | Materiaali: | Ruostumaton teräs |
| Pullon tyyppi: | Automaattinen pyöreä pullon etiketöintipurkki | Sovellus: | Kaikentyyppisille pyöreille astioille |
| Plc-tuotemerkki: | MITSUBISHI (Japani) | Servomerkintämoottori: | DELTA (Taiwan) |
punaviinien etiketöintikone lasiviinipullojen etiketöintikone, PLC-ohjausjärjestelmä MITSUBISHI-merkkikone
Ominaisuudet:
1. Käyttö: PLC-ohjausjärjestelmä tekee etikettikoneesta helppokäyttöisen
2. Materiaali: Etiketöintikoneen päärunko on valmistettu ruostumattomasta teräksestä SUS304
3. Kokoonpano: Etiketöintikoneemme käyttävät tunnettuja japanilaisten, saksalaisten, amerikkalaisten, korealaisten tai taiwanilaisten tuotemerkkien osia
4. Joustavuus: Asiakas voi valita lisätä tulostimen ja koodikoneen; voi päättää olla yhteydessä converyeriin vai ei.
Tekniset parametrit:
| Nimi | Automaattinen pyöreä viinipullo nopeaan hihaan kutistuvaan pyöreään pullon etiketöintikoneeseen |
| Etiketöinnin nopeus | 60-350 kpl / min |
| Esineen korkeus | 30-350 mm |
| Kohteen paksuus | 20-120 mm |
| Etiketin korkeus | 5-180 mm |
| Tarran pituus | 25-300 mm |
| Tarrarullan sisähalkaisija | 76mm |
| Tarrarullan ulkohalkaisija | 420 mm |
| Merkintöjen tarkkuus | ± 1 mm |
| Virtalähde | 220 V 50/60 Hz 3,5 kW |
| Tulostimen kaasunkulutus | 5 kg / m2 (jos lisää koodauskone) |
| Etikettikoneen koko | 2800 (P) × 1650 (L) × 1500 (K) mm |
| Etiketöintikoneen paino | 180kg |
Kokoonpano
| Ei. | Osa | brändi | määrä |
| 1 | PLC | MITSUBISHI (Japani) | 1 |
| 2 | Päämuunnin | DANFOSS (Tanska) | 1 |
| 4 | HMI | WEINVIEW (Taiwan) | 1 |
| 5 | Servomerkintämoottori | DELTA (Taiwan) | 1 |
| 6 | Servomerkinnän moottoriohjain | DELTA (Taiwan) | 1 |
| 7 | Kuljetinmoottori | HY (Taiwan) | 1 |
| 8 | Kuljettimen moottorin vaihdelaatikko | HY (Taiwan) | 1 |
| 9 | Jakopullon moottori | GPG (Taiwan) | 1 |
| 10 | Jakopullon moottorin vaihdelaatikko | GPG (Taiwan) | 1 |
| 11 | Pullon erottava moottorin nopeuden säädin | GPG (Taiwan) | 1 |
| 12 | Pinnamoottori | GPG (Taiwan) | 1 |
| 13 | Pinnamoottorin vaihdelaatikko | GPG (Taiwan) | 1 |
| 14 | esine tunnistaa taikasilmän | OMRON (Japani) | 1 |
| 15 | optinen kuitu | OMRON (Japani) | 1 |
Koneen yksityiskohdat:

32 pääkoneen osaa

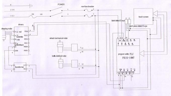
Piirikaavio

UKK:
1 etiketti saa kuplia
Syyt:
① irrota lauta ei ole hyvä / ei tasainen;
② auralauta ei ole hyvä / ei tasainen;
③ merkintätulos on liian nopea tai kokoonpanolinjan nopeus on liian pieni;
④ tarra on vedetty liian löysästi
Ratkaisut:
① vaihda tasainen irrotettava lauta;
② vaihda tasainen auralauta;
③ hidasta tarran tulostusnopeutta tai lisää kokoonpanolinjan nopeutta;
④ iske etikettivyöhön oikein.
Tag: teollisuusmerkintäkone, lasipullojen etiketöintikone









